Edge-Lit LED Profile for Shelves and Signage ~ Model Ginebra
Product details
Profile and mounting plate only ~ edge-lit panel, end caps and all other accessories are sold separately.
Description
The Ginebra LED channel is designed for edge lighting acrylic signage and panels about 3/8" thick. Consequently, this versatile aluminum edge lighting LED profile can accommodate a wide range of edge-lit panel applications and custom sign manufacturing.
In addition to its versatility, the Ginebra LED channel is also highly durable as it's constructed from high-quality aluminum. Its low profile design makes it easy to install, and it can be cut to custom lengths. Hence, it's a reliable and long-lasting choice for wall-mounted signs and edge-lit promotional displays.
Typical applications include:
- Wall-mounted edge-lit signs
- Overhead edge-lit signs
- Table-top edge-lit signs
- Illuminated desk signs
- Illuminated transparent reception desk signs
- Edge-lit promotional signs
- Edge-lit sneeze guard panels
- Wall illuminated shelf
- Edge-lit glass shelf
- Edge-lit acrylic shelf
- Edge-lit engraving base
- Custom edge-lit signs
Moreover, we offer in-house CNC routing, laser cutting, and laser etching services to assist with custom edge-lit signage manufacturing. However, if you need any help or have any questions, please feel free to contact us for assistance.
Furthermore, the Ginebra LED channel (edge lighting acrylic signage and panels) comes in a sleek, silver anodized finish, making it a stylish addition to any signage or display project. Lastly, Its low profile design and energy-efficient LED technology make it an eco-friendly and cost-effective option for your edge-lit panel applications.
General Specifications
- Contents: Edge-lit profile, supplied with LED mounting plate
- Material:
- Edge-lit profile: Anodized aluminum
- LED mounting plate: Aluminum
- Maximum LED strip width: 15mm (0.59")
- Maximum LED strip power: 20 W/m
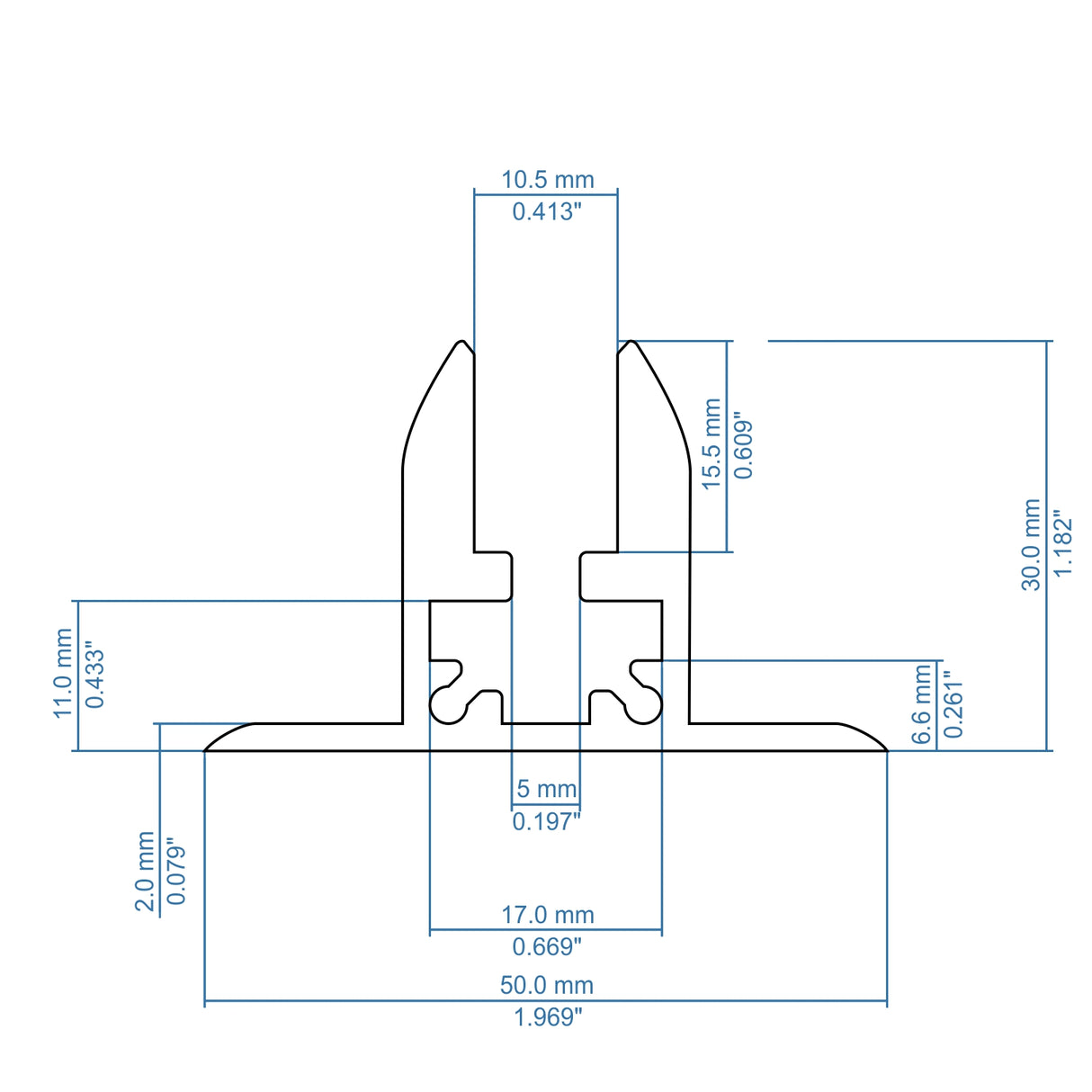
- Suitable for edge-lit material thickness: 9.5mm to 10.5mm (0.375" to 0.41")
- Warranty: 10 years
Downloads
Important Notes
- LED strip, covers, mounting brackets, end caps, shelf/sign panels and other accessories are sold separately from the aluminum profile. Therefore, select the available components below.
- You can easily cut LED profiles by hand or by machine.
- For your convenience Wired4Signs USA can cut LED profiles according to your requirements. Therefore, please leave instructions in the order comment box.
- We recommend double-checking the measurements before cutting LED profiles and covers to avoid any unnecessary loss. Please note that if you cut LED profiles and covers, we cannot refund or replace them.
- We ship items in stock the same day from Knoxville, Tennessee, United States. Additionally, our team dedicates themselves to carefully packing and safely delivering all packages to their destination.
- Bulk pricing is available on request. Moreover, for larger orders, we offer additional discounts and customized pricing to fit your project needs. All in all, please contact us to learn more about our bulk pricing options.










